AG3356F102电磁灶头试验用容器图102是广东安规根据标准IEC60335-2-14|GB4706.14-2008图103的要求设计制作而成。
产品设计:广东安规检测有限公司
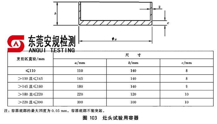
设计标准:AG3356F102电磁灶头试验用容器图102是广东安规根据标准IEC60335-2-14|GB4706.14-2008图103的要求设计制作而成。
产品概述:
根据IEC60335-2-14图102|GB4706.14-2008图1023设计而成的,共分5个铝锅。按直径分有:Φ110mm×140mmH、Φ145mm×140mmH、Φ180mm×140mmH、Φ220mm×120mmH、Φ300mm×100mmH五个标准铝锅,带铝盖。盖子未在本页面显示。
产品规格:
