服务热线
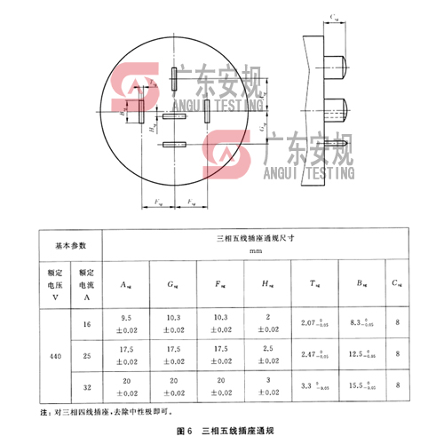
AGGB03F625A GB1003-2016 图6三相五线插座通规25A是广东安规根据标准GB1003-2016的要求设计制作而成。
产品设计:广东安规检测有限公司
设计标准:AGGB03F625A GB1003-2016 图6三相五线插座通规25A是广东安规根据标准GB1003-2016的要求设计制作而成。
产品规格:
AGF9BC9 IEC60320图9B-C9连接器止规
AGW20LBS UL1310直插产品20磅棒压测试装置
7006-27F-1 E14灯头量规
7006-45-4 成品灯G13双插脚灯头通规
AG02F12 GB1002图12单相两极插座不接触规
AGBSF23 BS1363图23热压缩试验装置
AG884F18 IEC 60884 图18 最大拔出力试验装置
AGBRDL多士炉寿命试验机