服务热线
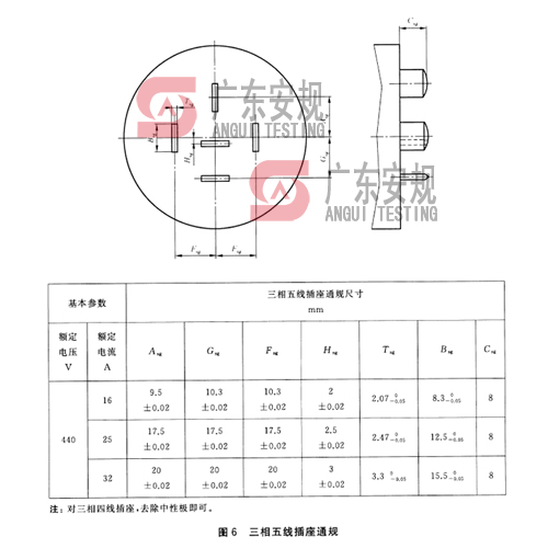
AGGB03F632A GB1003-2016 图6三相五线插座通规32A是广东安规根据标准GB1003-2016的要求设计制作而成。
产品设计:广东安规检测有限公司
设计标准:AGGB03F632A GB1003-2016 图6三相五线插座通规32A是广东安规根据标准GB1003-2016的要求设计制作而成。
产品规格:
7006-27D-3 E26灯头量规
AG2-15P 3磅2-15P插座保持力规
AG906F3 IEC 60906 15A125V不接触量规
7006-29C-2 E26灯头量规
AGBDL电池短路试验机
AGGB03F616A GB1003-2016 图6三相五线插座通规16A
AGENF4 EN50075图4检查单极插入不可能规
AGGB03F532A GB1003-2016图5三相五线插头量规32A