服务热线
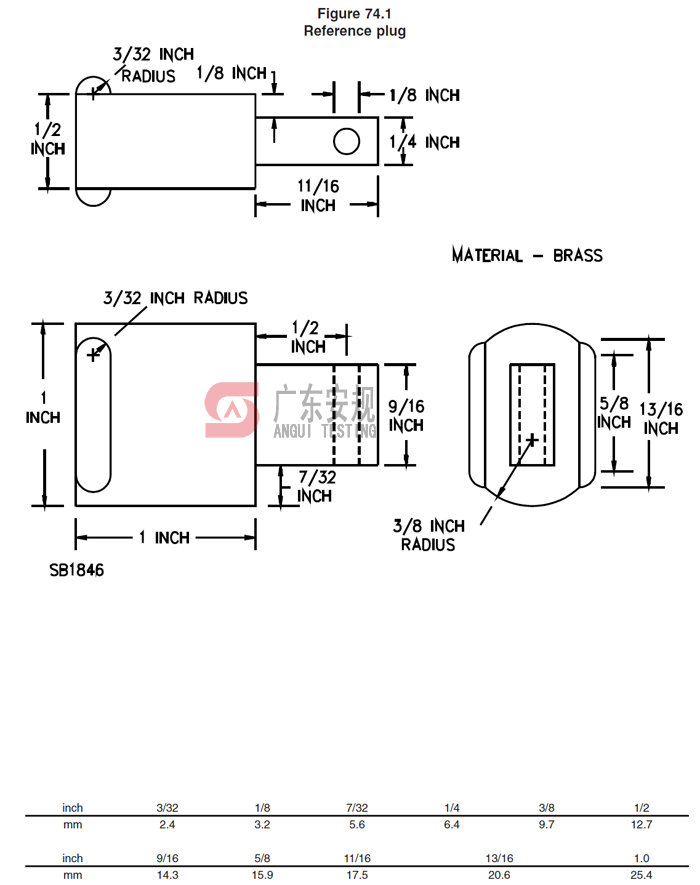
AGSB1846 UL498图74.4参考插头是广东安规根据标准UL498第74节及图74.1的要求设计制作而成。
产品设计:广东安规检测有限公司
设计标准:AGSB1846 UL498图74.4参考插头是广东安规根据标准UL498第74节及图74.1的要求设计制作而成。
产品规格:
AGBSF30 BS1363-2 Figure 30 温升测试插头
7006-51A-2 E27灯头量规
RT100E UL淋雨头
AG02F1510,AG02F1516 GB1002图15单相两极带接地插座止规
AGGB03F725A GB1003-2016图7三相五线插座止规25A
AG906F3 IEC 60906 15A125V不接触量规
AG2160楔形工具,医用病床标准设备
AGBILD14 VDE0620图14 侧面接地触头接触压力试验装置