服务热线
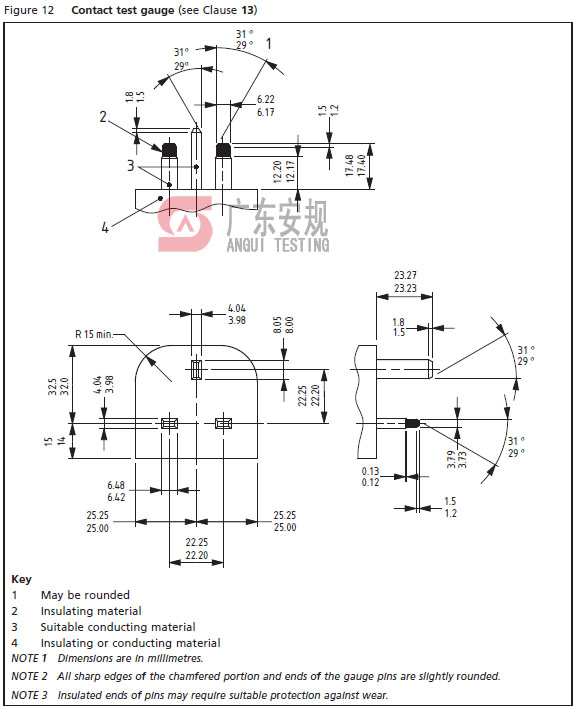
AGBSF12 BS1363-2图12接触规是广东安规根据标准BS1363-2 Figure 12的要求设计制作而成。
产品设计:广东安规检测有限公司
设计标准:AGBSF12 BS1363-2图12接触规是广东安规根据标准BS1363-2 Figure 12的要求设计制作而成。
产品用途:用于插座的接触性测试。
产品规格:
AG6F101灶头试验用容器
7006-129A-1 G9灯端止规
AGGB03F625A GB1003-2016 图6三相五线插座通规25A
AGF9QC23 IEC60320图9Q-C23连接器通规
AGASF37 AS/NZS 3112 图3.7 插座横向应力规
AGBSF10 BS1363图10高温压力试验装置
AGBSF17b BS1363-3 图17b 温升测试夹具
AG335TC84智能马桶温升测试角