服务热线
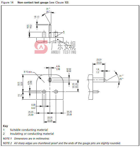
AGBSF14 BS1363-2图14 不接触规是广东安规根据标准BS1363-2 Figure 14的要求设计制作而成。
产品设计:广东安规检测有限公司
设计标准:AGBSF14 BS1363-2图14 不接触规是广东安规根据标准BS1363-2 Figure 14的要求设计制作而成。
产品用途:用于插座的不接触测试。
产品规格:
AGSB18892 UL498-2017 图100.1 测试插片2
7006-28C-1 E12灯头量规
AGPA160 UL1278试验棒
AGVDEF40 VDE0620图40高温压力试验装置
AGNIE14灯头温升测试镍圈
AGGB03F616A GB1003-2016 图6三相五线插座通规16A
AGGB03F825A GB1003-2016图8 三相五线插座不接触规25A
AGBSBT BS1363英规滚筒跌落试验机