服务热线
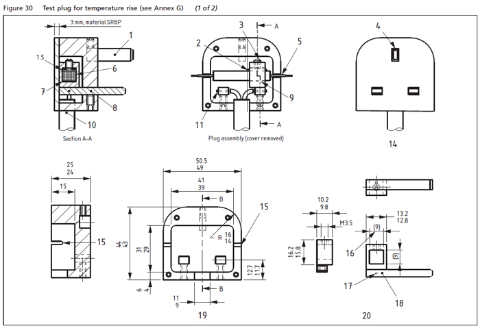
AGBSF30 BS1363-2 Figure 30 温升测试插头是广东安规根据标准BS1363-2图30的要求设计制作而成。
产品设计:广东安规检测有限公司
设计标准:AGBSF30 BS1363-2 Figure 30 温升测试插头是广东安规根据标准BS1363-2图30的要求设计制作而成。
产品用途:用于英规插头温升测试。
产品规格:
AGASF25 AS/NZS3112高温压力试验装置图2.5
AGF9LC19 IEC60320图9L-C19连接器通规
7006-26D-1 E17灯头量规
7006-121A-2 检验GU10灯座最大插入和拔出扭矩的量规
AGTC271手持式电吹风非正常测试271克毛巾
AGIPX4 GB4208 IPX3/IPX4 手持式花洒
AGS5366 UL60950楔形试验指
AGSM847G UL153夹子灯测试设备