服务热线
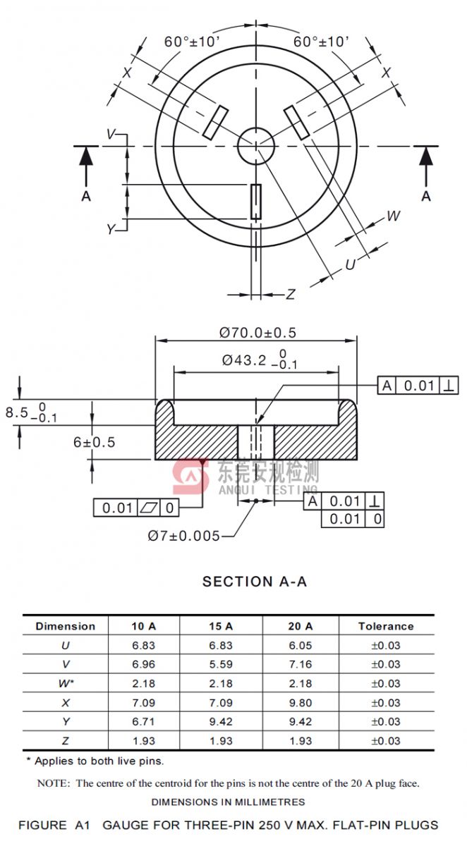
AGASFA1 AS/NZS3112图A1三脚平插量规是广东安规根据标准AS/NZS3112图A1的要求设计制作而成。
产品设计:广东安规检测有限公司
设计标准:AGASFA1 AS/NZS3112图A1三脚平插量规是广东安规根据标准AS/NZS3112图A1的要求设计制作而成。
产品规格:
本插头量规包含10A/15A/20A共3款规格。
AG02F18 GB1002图18单相两极双用插座圆插部分止规
7006-69-2 成品灯上G23双插脚灯头的通止规
AGF5AC7 IEC60320图5A-C7侧面进线型连接器通规
AG2-15P 3磅2-15P插座保持力规
AG6-15T IEC60906 15A250V二极带接地标准插头
AGENF7 EN50075图7插头压力试验装置
AGASFC110 AS/NZS 3112 图C1 10A三脚平插正常插入规
AGIS32TRP 以色列温升测试插头