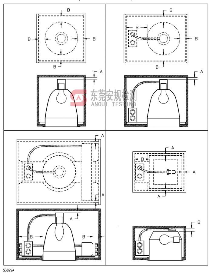
AGS3829A Non-IC嵌入式灯具温升测试箱是广东安规根据标准UL1598图19.13.1图19.13.2及19.13节的要求设计制作而成。
产品设计:广东安规检测有限公司
设计标准:AGS3829A Non-IC嵌入式灯具温升测试箱是广东安规根据标准UL1598图19.13.1图19.13.2及19.13节的要求设计制作而成。
产品规格:
Non-IC类灯具温升测试箱有两种,一种是正常温升测试木箱:

其中:A=13mm,B=13mm.
另外一种是非正常温升测试木箱:

其中:D=215mm,E>=100mm隔热棉,或者比灯具最低的玻璃外壳高50mm.
图片展示的为0.6米×0.6米格栅灯盘木箱搭在搭在0.6米×1.2米格栅灯测试木箱上。
其它规格类木箱未能展示,如需制作,需提供灯具尺寸。圆形筒灯请参考19.15节产品。