服务热线
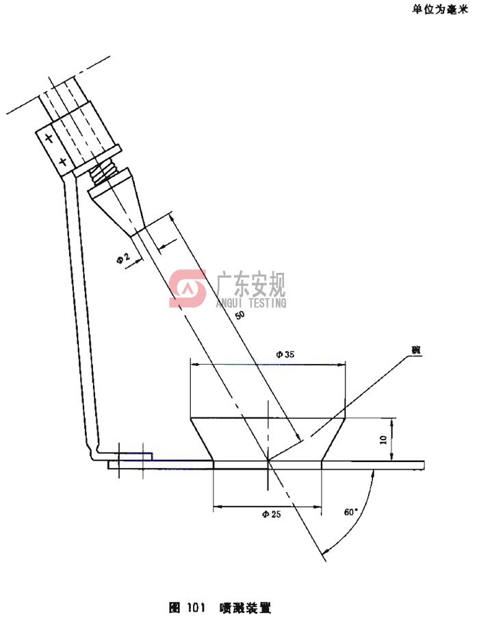
AG75F101溅水试验装置是广东安规根据标准IEC60335-2-75、GB4706.72第15.1.1节及图101的要求设计制作而成。
产品设计:广东安规检测有限公司
设计标准:AG75F101溅水试验装置是广东安规根据标准IEC60335-2-75、GB4706.72第15.1.1节及图101的要求设计制作而成。
产品规格:
7006-28D-1 E40灯头量规
AG6-15TW IEC60906 15A250V二极带接地最大拔出力规
AGGB03F816A GB1003-2016图8 三相五线插座不接触规16A
AG6F101灶头试验用容器
AGVDEF40 VDE0620图40高温压力试验装置
AGTC271手持式电吹风非正常测试271克毛巾
AG02F6 GB1002图6单相两极插头量规
7006-13-5 B15d、B22d、B22d-3、BY22d灯座卡口规