服务热线
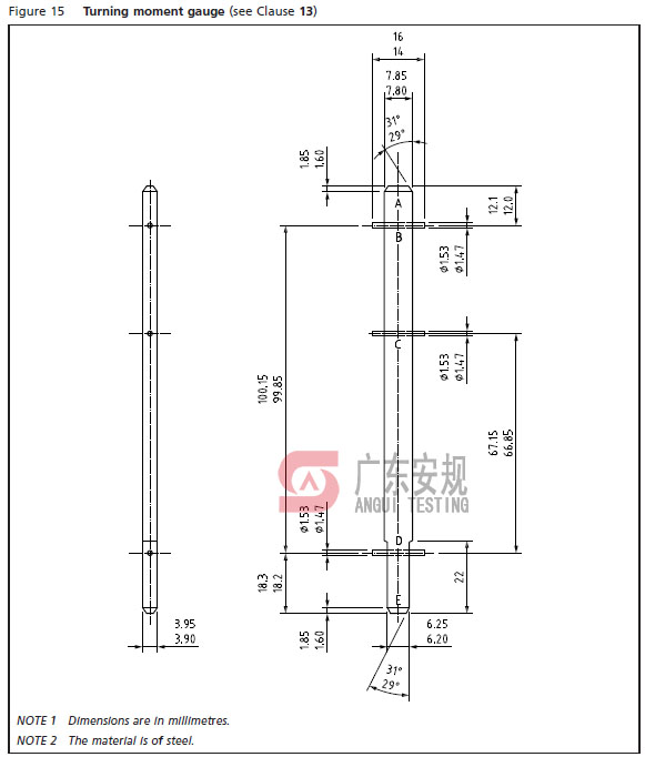
AGBSF15 BS1363-2 图15 转矩量规是广东安规根据标准BS1363-2 Figure 15的要求设计制作而成。
产品设计:广东安规检测有限公司
设计标准:AGBSF15 BS1363-2 图15 转矩量规是广东安规根据标准BS1363-2 Figure 15的要求设计制作而成。
产品用途:用于插座的转矩测试,该量规配备750g砝码,方便测试。
产品规格:
AG2117锥形工具|医用病床标准设备
AGASFD120 AS/NZS 3112 图D1 20A三脚平插非正常插入规
AG900F18 EN60900手工具高温压力试验装置
AGASTRP AS/NZS3112温升测试插头
AGGB03F725A GB1003-2016图7三相五线插座止规25A
AGF9RC1357 IEC60320图9R-C13、C15、C17连接器止规
7006-27-7 E40灯头量规
7006-6B-1 检验E11灯座接触性能的插塞量规B