服务热线
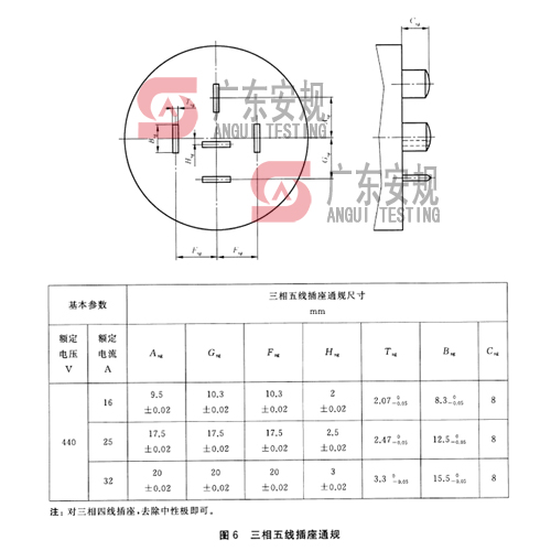
AGGB03F616A GB1003-2016 图6三相五线插座通规16A是广东安规根据标准GB1003-2016的要求设计制作而成。
产品设计:广东安规检测有限公司
设计标准:AGGB03F616A GB1003-2016 图6三相五线插座通规16A是广东安规根据标准GB1003-2016的要求设计制作而成。
产品规格:
7006-51-2 E27灯头量规
AGASFA1 AS/NZS3112图A1三脚平插量规
7006-25-7 E14灯座螺纹通规
AGSM1055B插头力矩试验装置
AGGB03F632A GB1003-2016 图6三相五线插座通规32A
AGBD2NM球泡灯弯矩试验器
AGCP1500 LED灯管长度专用测量卡尺
AG02F1410,AG02F1416 GB1002图14单相两极带接地插座最小通规