服务热线
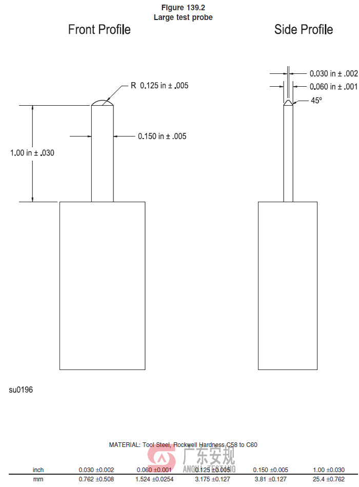
AGSU0196 UL498-2017图139.2 大试验销是广东安规根据标准UL498-2017第139.3节及图139.2的要求设计制作而成。
产品设计:广东安规检测有限公司
设计标准:AGSU0196 UL498-2017图139.2 大试验销是广东安规根据标准UL498-2017第139.3节及图139.2的要求设计制作而成。
产品概述:
配重10磅。
AGNHH耐划痕试验机
AGF9SC15A IEC60320图9S-C15A连接器通规
AG15YC溢水试验机
AGP14 IEC61032 试具14图10
AGF9RC1357 IEC60320图9R-C13、C15、C17连接器止规
AGGB03F925A GB1003-2016图9三相插座带电插套接触规25A
7006-6A-1 检验E11灯座接触性能的插塞量规A
7006-109-1 GU5.3双插脚灯端的通止规